芯城品牌采购网 > 品牌资讯 > 技术方案 > 极海 APM32F035 电机控制专用 MCU无电解电容变频控制方案

极海 APM32F035 电机控制专用 MCU无电解电容变频控制方案

芯城品牌采购网

32558

随着智能冰箱对能效、寿命及成本控制的需求提升,无电解电容变频控制技术应用日益受关注。该技术用薄膜电容替代传统电解电容,能显著降本、延长寿命,且无需复杂有源 PFC 电路,即可抑制单相交流输入谐波电流,简化系统架构、提高可靠性。

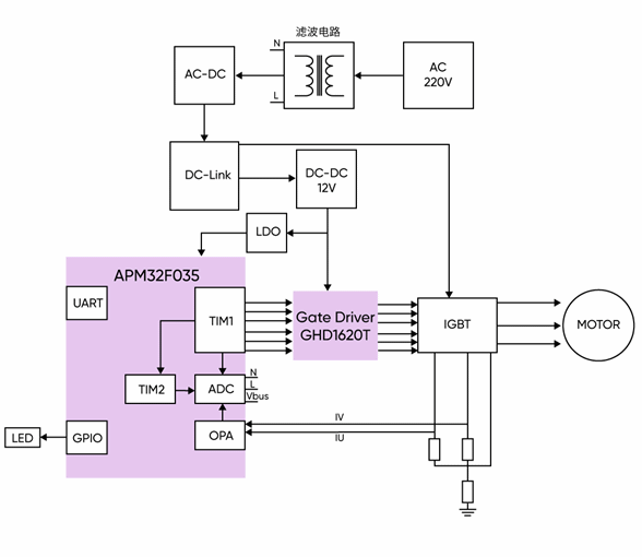
为满足冰箱压缩机 “低谐波电流 + 高功率因数 + 低成本” 需求,极海推出无电解电容变频控制参考方案:以 1 颗APM32F035 电机控制专用 MCU、3 颗GHD1620T 电机专用栅极驱动器为核心,搭配薄膜电容与 IGBT 电路,无需外接 PFC 即可抑制谐波、优化板级功率因数,提供高效变频解决方案。

1758857061870896.png

一、方案核心特性:低噪高稳,降本增效

极海该参考方案具备低噪声、低电流谐波、高可靠性、转速稳定四大特点,在降低系统成本、延长产品寿命的同时,进一步提升运行可靠性。

方案电路设计逻辑清晰:交流电压滤波整流后采用薄膜电容,以 APM32F035 为主控芯片,检测交流电压与电机相电流的矢量控制;通过 TIM1 的 3 组互补 PWM 输出至 GHD1620T,控制 IGBT 开关实现电平逆变,最终驱动永磁同步电机运行。

二、五大核心优势,直击场景痛点

  1. 单芯片控制,简化设计APM32F035 主频 72MHz,内置 M0CP 协处理器,集成高速 ADC 与运放,凭卓越运算速度可在单核上统一实现 “输入交流电压观测 + 电机 FOC 控制”,无需额外芯片。
  2. 驱动可靠,工况适配:无电解电容驱动的转速精度、带载能力与传统电解电容方案一致,确保不同工况下的稳定性。
  3. 先进算法,省却 PFC:特有输入电压跟随算法,支持动态负载调整,可直接降低电流谐波,省去额外 PFC 电路。
  4. 高性价比,压缩成本:薄膜电容替代电解电容后,系统成本降低15%~20% ,体积缩小30% ,同时延长产品使用寿命。
  5. 高驱动功率,满足需求:仅需 4μF 薄膜电容,即可实现 400W 逆变功率,适配冰箱压缩机功率需求。

三、关键器件:APM32F035 与 GHD1620T,筑牢性能基础

1. APM32F035 电机控制专用 MCU

  • 内核与算力:基于 Cortex-M0+,内置 M0CP 协处理器,减轻 CPU 负荷,为无感 FOC 控制算法提供支持;
  • 外设优势:1MHz 采样率高速 ADC,支持分段采样,可分开电压与电流采样时序;
  • 控制精度:TIM1 支持 4 组互补 PWM 输出,内置死区功能,可与 ADC 联动,适配电机控制高精度需求;
  • 运放性能:集成 4 个通用运算放大器,支持外接电阻调增益或选内部预设档位,摆率 10V/μs、增益带宽积 10MHz,动态响应优异。

2. GHD1620T 电机专用栅极驱动器

  • 电压与兼容:600V 双 N 沟道单相驱动,支持 10V~20V 宽范围电压,兼容 3.3V/5V 逻辑输入,悬浮偏移电压 + 600V,适配直流无刷 / 有刷电机;
  • 保护全面:内置 500ns 死区时间,支持欠压、过温保护及直通防止功能,保护功率器件稳定运行;
  • 驱动便利:内部集成自举二极管,为高侧电路提供足够电压驱动开关;
  • 智能控制:内置温度传感器输出,可实现温度补偿与自适应控制,优化电机控制能效。

1758857515798430.png

四、极海生态支持:全栈布局,助力快速落地

面向电机控制市场,极海拥有 **“MCU+Driver+IPM” 全栈产品矩阵 **,自研多种核心电机控制算法,搭建完善的通用开发平台。从应用层、中间层、器件层到硬件层,再结合资深电机团队支持,提供全链路生态服务,助力客户提升电机运行效能、快速落地方案。


免责声明:
文章内容转自互联网,不代表本站赞同其观点;
如涉及内容、图片、版权等问题,请联系2644303206@qq.com我们将在第一时间删除内容!